Log in
Contact Us
×
Your Name
Your Email
Your PhoneNumber
Your Enquiry
Submit
Log in
Contact Us
×
Your Name
Your Email
Your PhoneNumber
Your Enquiry
Submit
Home
Products
Back
Compressor Parts
Back
Sensors
Back
Linear Transmitters
Potentiometers
Pressure Transducers
Temperature Probes
Suction Line
Back
Suction Strainer Gaskets
Suction Strainer Screens
Accessories
Back
Coils for Hydraulic Valves
Thermal Control Valves
Valve, solenoid, Hyraulic Valves
Coupling
Back
Motor Couplings
Center Coupling Motor Sleeves
Gaskets orings
Back
Gasket Kits
Gaskets For Oil Filters
Oring Kits
Heater Oil
Back
Heaters, Oil
Mechanical Parts
Back
Shaft Seals
Bearing Kits
Seal Kits For Shifting Valves
Slide Valves Repair Kits
Oil Pump
Back
Oil Pump Motors
Oil Pump Repair Kits
Oil Pump Shaft Seal Kits
Oil Separator
Back
Coalescing Filters
Oil Level Swithches
Separator Manway Gaskets
Site Glass For Oil Separators
Oil Filter Elements and Coalescers
Back
Oil Filter Elements
Oil and Coolant
Back
Compressor Oil
Cooling Fluids
Pump Oil
Refrigerant Fluid
Pipes and Fittings
Back
Elbows
Flanges
Insulation
Pipe Hangers
Pipes
Reducers
Tees
Union
Pumps and Motors
Back
Motors
Back
Actuators
Condensers
Evaporators
Pump Parts
Back
Bearings
Gaskets
Impellers
Motors
Oil
O-Rings
Other Pump Parts
Rotor and Shaft Parts
Shaft Seals
Sleeves
Compressors
Back
Compressors Remanufactured
Compressors New
Purger Parts
Back
Check Valve
Float Switch
Level Controllers
Solenoids
Water Bubbler
Safety Supplies And Tools
Back
Labels And Tags
Back
Pipe Labels
Valve Tags
Meters And Detectors
Back
Leak Detection
Meters
Refrigerant Detectors
Protective Clothing
Back
Boots
Garments and Clothing
Hard Hats
Respiratory
Back
Gas Masks
SCBAs
Tools
Back
Coil Testing
Shaft Seal Install Tools
Shaft Seal Removal Tools
Sight Glass Tools
Valve Tools
Wrenches
Ventilation
Back
Ventilation Louvers
Valves and Valve Parts
Back
Valve Parts
Back
Circuit Setter
Refrigeration Valve Parts
Strainers
Valves
Back
Regulators
Actuator Valves
Block Valves
Check Valves
Expansion Valves
Gauge and Purge Valves
Motorized Valves
Relief Valves
Shut-Off Valves
Solenoid Valves
Suction Stop Valves
Triple Duty Valves
Paint
Condenser Parts
Back
Basin Accessories
Back
Access Door Gaskets
Float Balls
Float Valve Kits
Strainers
Sump Heaters
Fans and Drive
Back
Automatic Bearing Greaser Refill Kits
Bearings
Bushings
Fan Blade Bushings
Fan Blades
Fan Guards
Fan Motors
Shafts
Sheaves
V-Belts
Other
Water Distribution
Back
Louver Eliminator - Fill
PVC Mist Eliminators
Spray Nozzles
Water Pump Assembly with Motor
Water Pump Motors
Water Pump Rebuild Kits
Water Pump Seal Kits
Water Pumps
MAU, AHU and Evaporator Parts
Back
Evaporator Parts
Back
Fan Blades
Fan Bushings
Fan Guards
Motor Mounts
Motors
Other
MAU And AHU Parts
Back
Dampers
Filters
Ignition Parts
Motors
Sensors
Controls and Electronics
Back
Boards And Modules
Back
I/O Boards
I/O Modules
Main Board
Program Cards
Digital Boards
Control Parts
Back
Cables
Circuit Breakers
Displays
Fuses
Key Pad
Panel Heaters
Power Supply
Relays
Transformers
Electrical Parts
Back
Coils
Motors
Starters
Manufacturers
CLAUGER
FRICK
VILTER
GEA FES
MYCOM
BALTIMORE AIR COIL
EVAPCO
REFRIGERATION SPECIALTIES
HANSEN TECHNOLOGIES
SULLAIR
CORNEL PUMP
DUNHAM-BUSH
H.A. PHILLIPS
DANFOSS
SPORLAN
KAPPLER
Resources / Tools
Contact Us
Menu
Home
Products
Back
Compressor Parts
Back
Sensors
Back
Linear Transmitters
Potentiometers
Pressure Transducers
Temperature Probes
Suction Line
Back
Suction Strainer Gaskets
Suction Strainer Screens
Accessories
Back
Coils for Hydraulic Valves
Thermal Control Valves
Valve, solenoid, Hyraulic Valves
Coupling
Back
Motor Couplings
Center Coupling Motor Sleeves
Gaskets orings
Back
Gasket Kits
Gaskets For Oil Filters
Oring Kits
Heater Oil
Back
Heaters, Oil
Mechanical Parts
Back
Shaft Seals
Bearing Kits
Seal Kits For Shifting Valves
Slide Valves Repair Kits
Oil Pump
Back
Oil Pump Motors
Oil Pump Repair Kits
Oil Pump Shaft Seal Kits
Oil Separator
Back
Coalescing Filters
Oil Level Swithches
Separator Manway Gaskets
Site Glass For Oil Separators
Oil Filter Elements and Coalescers
Back
Oil Filter Elements
Oil and Coolant
Back
Compressor Oil
Cooling Fluids
Pump Oil
Refrigerant Fluid
Pipes and Fittings
Back
Elbows
Flanges
Insulation
Pipe Hangers
Pipes
Reducers
Tees
Union
Pumps and Motors
Back
Motors
Back
Actuators
Condensers
Evaporators
Pump Parts
Back
Bearings
Gaskets
Impellers
Motors
Oil
O-Rings
Other Pump Parts
Rotor and Shaft Parts
Shaft Seals
Sleeves
Compressors
Back
Compressors Remanufactured
Compressors New
Purger Parts
Back
Check Valve
Float Switch
Level Controllers
Solenoids
Water Bubbler
Safety Supplies And Tools
Back
Labels And Tags
Back
Pipe Labels
Valve Tags
Meters And Detectors
Back
Leak Detection
Meters
Refrigerant Detectors
Protective Clothing
Back
Boots
Garments and Clothing
Hard Hats
Respiratory
Back
Gas Masks
SCBAs
Tools
Back
Coil Testing
Shaft Seal Install Tools
Shaft Seal Removal Tools
Sight Glass Tools
Valve Tools
Wrenches
Ventilation
Back
Ventilation Louvers
Valves and Valve Parts
Back
Valve Parts
Back
Circuit Setter
Refrigeration Valve Parts
Strainers
Valves
Back
Regulators
Actuator Valves
Block Valves
Check Valves
Expansion Valves
Gauge and Purge Valves
Motorized Valves
Relief Valves
Shut-Off Valves
Solenoid Valves
Suction Stop Valves
Triple Duty Valves
Paint
Condenser Parts
Back
Basin Accessories
Back
Access Door Gaskets
Float Balls
Float Valve Kits
Strainers
Sump Heaters
Fans and Drive
Back
Automatic Bearing Greaser Refill Kits
Bearings
Bushings
Fan Blade Bushings
Fan Blades
Fan Guards
Fan Motors
Shafts
Sheaves
V-Belts
Other
Water Distribution
Back
Louver Eliminator - Fill
PVC Mist Eliminators
Spray Nozzles
Water Pump Assembly with Motor
Water Pump Motors
Water Pump Rebuild Kits
Water Pump Seal Kits
Water Pumps
MAU, AHU and Evaporator Parts
Back
Evaporator Parts
Back
Fan Blades
Fan Bushings
Fan Guards
Motor Mounts
Motors
Other
MAU And AHU Parts
Back
Dampers
Filters
Ignition Parts
Motors
Sensors
Controls and Electronics
Back
Boards And Modules
Back
I/O Boards
I/O Modules
Main Board
Program Cards
Digital Boards
Control Parts
Back
Cables
Circuit Breakers
Displays
Fuses
Key Pad
Panel Heaters
Power Supply
Relays
Transformers
Electrical Parts
Back
Coils
Motors
Starters
Manufacturers
Back
CLAUGER
FRICK
VILTER
GEA FES
MYCOM
BALTIMORE AIR COIL
EVAPCO
REFRIGERATION SPECIALTIES
HANSEN TECHNOLOGIES
SULLAIR
CORNEL PUMP
DUNHAM-BUSH
H.A. PHILLIPS
DANFOSS
SPORLAN
KAPPLER
View All
Resources / Tools
Contact Us
Search
Search
0
0
item(s)
You have no items in your shopping cart.
Home
/
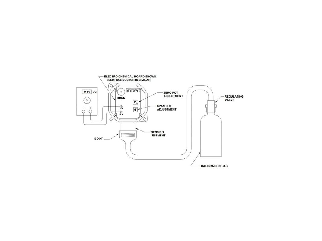
17L CYLINDER 100 PPM AMMONIA
17L CYLINDER 100 PPM AMMONIA
Manufacturer:
HANSEN TECHNOLOGIES
Part Number:
HAN-31-0031
Price:
Price:
$182.92
Log in or call for preferred partner pricing
Availability:
Out of stock
Email a friend
Qty:
+
-
Add to cart
Qty:
+
-
ADD TO QUOTE
Custom Solutions
Your name
*
Enter Name
Your email
*
Enter Email
Contact Us
Product info :
Part Number :
For Product :
Enter Inquiry
Submit
Categories
Compressor Parts
Oil and Coolant
Pipes and Fittings
Pumps and Motors
Compressors
Purger Parts
Safety Supplies And Tools
Valves and Valve Parts
Paint
Condenser Parts
MAU, AHU and Evaporator Parts
Controls and Electronics